Login
用户登录
登录
忘记密码?
立即注册
欢迎光临
百佳利智能工业
请登录
免费注册
安全退出
商品分类
行政办公
笔记本
便签
胶装本
学生笔记本
商务皮面记事本
便签、便签盒
活页本、芯
PU、PVC笔记本
螺旋本
充电笔记本
纸张中心
A4复印纸
A3复印纸
A5复印纸
B4复印纸
皮纹纸
白卡纸
相片纸
8K复印纸
电脑打印纸
收银纸
其他纸张
彩色复印纸
标签打印纸、条码纸
包装纸袋
工程纸
热敏传真纸
会议投影
投影仪
白板
翻页笔
支架幕
壁挂幕布
桌面文具
胶水胶带
起钉器
打孔机
直尺
剪刀
美工刀
长尾夹
笔筒
书立 文具套装
计算器
订书机
直尺、三角尺
美工刀、裁纸刀
回形针、曲别针
订书钉
长尾夹、票夹
液体胶
固体胶
大头针
笔筒、笔袋
图钉、工字钉
推夹器及补充夹
桌面、台式文件柜
文件框
回形针
书立
传真机
喷墨传真机
激光传真机
无纸传真机
会议展示
桌牌
展会证
白板、绿板、板架
会议文具套装
桌牌、会议牌
展会证、证件卡
磁钉、磁扣、磁粒
挂绳
白板擦
扫描仪
平板式扫描仪
扫描枪、扫描器
扫描笔
装订设备
梳式装订机
塑封膜
热熔装订机
塑封机
塑封机、塑封膜
财务装订机
胶圈、铁圈、装订夹
冷裱机、刻字机
书写工具
签字笔
笔芯
墨水
台笔
修正带
绘图工具
橡皮
记号笔
签字笔、中性笔
白板笔
笔芯、替芯
彩笔
油漆笔
圆珠笔
钢笔、宝珠笔
画笔(水彩笔、蜡笔、油画棒)
荧光笔
铅笔
修正带、修正液
卷笔刀、削笔器
毛笔
铅芯
修正笔
麦克笔补充液
粉笔
财务行政用品
凭证
印台
手提金库
印台、印泥、印油
奖状、奖杯、证书
手提金库、印章箱
湿手器、海绵缸
印章、号码机、打码机
橡皮筋
复写纸
单据
意见箱、投票箱
意见箱
标签识别
便利贴
机打标签
其他标签
不干胶打印纸
便利贴、报事贴
手写标签
线缆标签、挂牌
装订配件
装订线
热熔胶
切割垫板
打孔机垫片
装订条
其他设备
点钞机
碎纸机
点钞机、验钞机
切纸机
收银机
速印机
打价机、打价纸
电子秤
打印机、一体机
喷墨、照片打印机
黑白激光一体机
多功能一体机
彩色激光打印机
针式打印机
证簿打印机
热敏打印机
红黑激光打印机
触控一体机
大幅面打印机、绘图
标签机、条码打印机
考勤、监控设备
安防监控
门禁设备
考勤机
考勤卡
考勤纸、打卡纸
复合机、印刷机
印刷机
黑白数码复合机
便捷式复印机
彩色数码复合机
色带、碳带
色带
色带架含芯
色带框
色带芯
碳带
文件夹、袋
文件夹
档案盒
文件袋
事务包
风琴包
资料册、档案夹
名片册
文件架
文件盒
快劳夹
文件套
笔袋
文件包
其他文件夹
邮寄包装用品
胶带
双面胶
信封、信纸
捆扎绳
办公设备
办公耗材
办公家具
办公椅/工作椅
办公柜
备品备件
铜材
铜管
铜丝
铜棒
铜带
铜板
铜箔
铜粉
设备及配件
石墨复材电极
挡车装置
水泥、混凝土搅拌机
碳刷
滑环
输送机
模切机
工业加热炉
分条机
密封件
密封配件
密封圈
油封
机械密封
密封材料
垫片密封
填料密封
紧固件
螺栓垫片螺母
钢丝绳卡头
螺栓
组合件
锚栓
垫圈
螺柱
螺钉
螺母
管箍
销钉和柱塞
铆接件
挡圈
键
螺套
焊接件
弹簧钩
喉塞
旋转环
螺丝
机械配件
皮带链条
刀具钻头
气动元件
加湿桶
清洁设备
工业擦拭
清洗保养品
地垫
垃圾处理
清洗剂
电机及减速机
低压交流电机
暖通照明
管材管件
照明灯具
联轴器及附件
梅花形联轴器
联轴器
皮带
同步带
窄V带
广角带
标准V带
联组带
输送带及配件
轴承
滑动轴承
球轴承
滚子轴承
带座轴承
仓储包装
包装工具
搬运设备
起重设备
焊接
焊机焊材
泵
数码与电脑外设
外设产品
网线
键盘
鼠标垫
USB集线器
耳机
鼠标
UPS电源
电脑清洁套装
手写板、绘图板
耳机、麦克风
电脑整机
笔记本电脑
台式电脑
平板电脑
电脑一体机
掌上电脑
电脑配件
显卡
显示器
内置电池
内存条
硬盘
散热器
刻录机
声卡
笔记本托架
电源
其他电脑配件
CPU
主板
机箱
刻录机、光驱
声卡、扩展卡
通讯设备
手机
电话机
对讲机
光端机
音频会议电话机
无线座机
影音设备
音视频连接线
照相机
录音笔
望远镜
头戴式耳麦
同屏器
分屏器
摄像机
MP3、MP4播放器
数码相框
调音台配置
摄像机配件
数码配件
耳机
音箱、音响、扩音
移动电源(充电
数据线
手机支架
U盘
屏幕膜
读卡器、转换器
GPS导航仪
三角架
闪光灯
自拍杆
胶片、胶卷
网络设备
路由器
交换机
无线网卡
存储设备
移动硬盘
光盘
U盘
闪存卡
光盘盒
计算机软件
通用商业软件
操作系统
数据库管理系统
五金工具
液压工具
液压工具
液压动力元件
液压控制元件
液压执行元件
液压辅助元件
手动工具
扳手/手动套筒
钳/夹
割刀
工具组套
铲/锤/锉/凿/冲/锯/刀
工具车/箱/包
尺
钻
锯条
其他工具
錾子
电动工具
电动工具
手电钻
电动磨光机
电动扳手
电锤钻/冲击钻/电镐
开槽机
电锯
切割机
气阀类
电阻器
气缸类
胶带标签
胶带原材
磨具量具
量具量仪
磨具磨料
搬运工具
吊索具
脚轮
起重设备
搬运堆高设备
梯及作业平台
存储器具
仓储设备
货物包装
切削工具
刃具
刀具夹持系统
气动工具
气动打钉工具
其他气动工具
气动打磨工具
气动钻孔工具
气动喷涂工具
气动切割工具
气动定扭工具
气动打胶工具
气动辅助件
仪器仪表
实验室通用仪器
清洁用品
垃圾处理
清洁剂
清洁工具
清洁纸品
清洁设备
工业擦拭
害虫防治
工具耗材
螺丝批及批头
冲击套筒
电工工具
电子焊接及防静电工具
机电配件
加湿桶
PPE劳保
身体部防护
防护服
围裙
工作服
低温液氮防护
雨衣
运动服
阻燃服
喷砂服
实验室大褂
绝缘服
呼吸防护
防护口罩
防护面具及配件
逃生呼吸器
手部防护
涂层手套
劳保手套
绝缘手套
防静电手套
防割手套
一次性手套
隔热手套
防寒手套
袖套
防化手套
钢丝手套
低温液氮手套
足部防护
防尘鞋
安全鞋
绝缘鞋
安全鞋配件
防寒鞋
防滑、防水安全鞋
防疲劳垫
听力防护
耳塞
耳罩
头部防护
安全帽
防撞帽
发套
绝缘安全帽
眼面部防护
防护眼镜
护目镜
防护面屏
坠落防护
缓冲系绳、带
安全绳
安全带
止锁器
焊接防护
焊接手套
焊接围裙
焊接袖套
焊接脚盖
焊接口罩
焊接面罩
焊接防护毯
焊接眼镜
电弧防护
防电弧头罩
防电弧手套
防电弧服
防电弧腿套
日用百货
办公日杂
电池
雨伞
台灯
插线板(插排)、转
电池、充电器
雨伞、雨衣
粘钩、挂钩
手电筒
台灯、护眼灯
放大镜
喷壶
风扇
物品支架
开关
生活用纸
卫生卷纸
盒装抽纸
软装抽纸
大盘纸
擦手纸
湿纸巾
餐巾纸
厨房用纸
箱包皮具
电脑包
旅行包
手提袋
拉杆箱
拉杆包
手包
挎包
腰包
腰带
清洁剂
驱虫用品
肥皂
洗洁精
樟脑、干燥剂
洗衣粉、洗衣液
消毒液
空气清新剂
洗衣粉
美妆洗护
洗手液
润唇膏
毛巾、面巾
浴巾
洗发水、护发素
沐浴露
洗手液、护手霜
洗面奶、保湿霜
牙刷、牙膏
剃须刀、脱毛器
面霜
面膜
乳液
漱口水
电动牙刷
指甲剪套装
防晒霜
眼霜
清洁工具
垃圾袋
拖把
百洁布、抹布
垃圾桶、纸篓
脚垫
水桶
利器盒
盆
擦鞋机
生活用品
热水袋
扑克牌
眼罩
保暖贴
感应门铃
磁力贴、冰箱贴
厨房秤
坐垫
其他生活用品
水具、茶具
保温杯
茶饮机
茶盒、罐
茶盘
陶瓷杯
塑料杯
节庆用品
红包、利事包
灯笼
台历(架)、挂历
窗花
春联
一次性用品
纸杯、塑杯
一次性餐具
保鲜膜、保鲜袋
密封、密实袋
台布
鞋套
一次性吹嘴
一次性手套
棉棒
密封
女性护理
卫生巾
家居收纳、洗晒
简易衣柜
衣架
整理箱
收纳袋
晾晒架
厨具
刀具
砧板
铲子
勺子
油壶
浴室配置
花洒
马桶
芳香、驱虫用品
香薰、香囊
食品饮料
食品
休闲零食
方便面
糖果
糖果、巧克力
饼干、糕点
方便面、速食食品
米、油
健康营养品
米粉、米线
清真食品
休闲食品
糖果
糕点
膨化食品
干果
熟食腊味
酒水饮料
碳酸饮料
水
咖啡饮料
茶饮料
乳品饮料
运动、健康饮料
果汁
牛奶
酒水
咖啡、茶、冲饮
茶
咖啡
咖啡伴侣、奶精
方糖
袋泡茶
茶叶
麦片
蜂蜜
奶茶
芝麻糊
(豆)奶粉
姜茶姜汤
藕粉
粮油调味
面粉
料酒
酱油
醋
挂面
蚝油
糖
味精
酱料
食用盐
杂粮
小米
榨菜
腐乳
南北干货
粉条、粉丝
肉干、肉脯
干笋
蘑菇
银耳
木耳
家具建材
办公家具
智能寄售柜
更衣柜
指示牌
办公柜
椅子
茶几
办公桌、会议桌
演讲台
防火防磁柜
文件柜
保险箱
集成架
仓储
清洁设备
零部件清洗机
工业吸油机
起蜡垫
抛光垫
吸尘器
扫地机
洗衣机
洗地机
扫雪机
高压清洗机
地毯抽洗机
抛光机
吹干机
洗手间用品
空气清香机
纸巾盒
洁厕剂
皂液器
手消毒器
烘手机
自动出纸器
吹风机
户外运动
体育健身用品
旅行装备
冰箱冰柜
制冰机
商用冰柜
商用冰箱
家用冰箱
酒柜冰吧
工业冷水机
制冷机
制冷保温材料
氟化液
保温材料
制冷剂
冷冻油
制冷铜管
空调、除湿机、加湿机
家用空调
商用、工业柜式空调机
商用、工业吊顶式空调机
移动式空调
设备蒸发式冷风机
家用、商用、工业除湿机
家具配件
医疗用品
急救包
综合急救箱
专业救护箱
便携急救包
防暑降温包
冬季健康包
防护应急包
家庭医疗药箱
车载应急包
综合急救箱、包
防灾应急包
实验室急救箱、包
铝合金空箱
医疗家具及设备
采血室
诊室
心电超声
临终关怀
病区
治疗处置室
护士台
值班室
助浴间
护理训练区域
医疗设备
基础化学品
溶剂油
芳香烃
异构烷烃
成品油
柴油
无机颜料
炭黑
基础油
白油
基础油
无机化学品
无机盐
非标定制
金属非标定制
非标定制 立式加工工艺
非标定制 线切割加工工艺
非标定制 磨床加工工艺
高低压电器
电工胶带
电工胶带
熔断器
螺栓连接型熔断器
熔断器附件
管件和线槽
线槽
软管固定头
保护管
桥架
开关、插座、底盒
开关、插座底盒
其他开关、底盒
开关电源
传感器
光电传感器
其他传感器
照明电子
其它配件
其他配电产品
配电箱
配电箱附件
电力安全设备
其它
伺服控制
伺服驱动
继电器
中间继电器
安全继电器
接触器
交流接触器
指令电器
指示灯
按钮指示灯附件
按钮
工业交换机
工业交换机
串口卡
电线电缆
电线电缆
变压器
变压器
低压断路器
微型断路器
接线端子
接线端子
端子绝缘护套
冷压端子
工业插头
工业插头
发电机
汽油发电机
编码器
绝对值编码器
增量式编码器
总线耦合器
温度控制器
电动机
风机专用电机
3D打印
定制打印服务
打印耗材
安全、消防用品
消防用品
消防器材
道路安全
安全锁具
应急处理
消防救援
安防监控
其他消防用品
安全锁具
工程塑料挂锁
铝挂锁
钢制千层锁
铜挂锁
不锈钢挂锁
搭扣
缆锁
阀门锁
钥匙管理箱
密码锁
应急处理
洗眼液
应急包
担架
心脏除颤器
氧气复苏仪
喊话器
洗眼器
消防救援、照明设备
灭火毯
救援软梯、绳
消防应急照明灯
消防应急标志灯
荧光警示棒
消防报警系统
火灾报警器
消防器材
灭火器
消防器材箱、柜
消防水带
消火栓
消防员保护装备
消防员头盔
消防员手套
消防战斗服
安防监控
门禁设备
防盗报警设备
监控设备
金属探测器
闸机
电子巡更
道路安全
反光背心、反光衣
反光贴
告示牌、警戒带、警示柱、路锥
实验室耗材
实验室通用仪器
其他通用仪器
实验室低温设备
实验耗材
试纸
紧急救护
11111
管阀管路
自动阀门
量具
信息化弱电
可编程控制器/PLC
工业检测
电力测试仪器
气体及安全检测
电磁阀
过程二次仪表
过程流量监测
诊断及无损探伤
过程物位检测
过程压力检测
过程分析检测
工控
变频器
工业交换机
工业控制元件
机械设备
企业福利
紧急救护
工具耗材
油漆涂料
装修材料
厨卫用具
胶粘剂
车间化学品
基建材料
润滑
工业润滑
润滑油/脂
润滑器
工业
工业自动化
控制器
处理器
系统配件
商城动态
首页
行政办公
备品备件
数码与电脑外设
PPE劳保
日用品
食品饮料
家具建材
五金工具
返回首页
400-887-0317
王小姐
田经理
宋经理
首页
>
五金工具
>
气动工具
>
其他气动工具
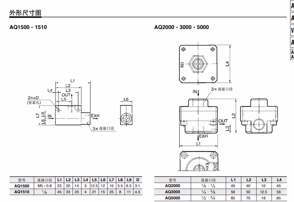
> SMC快速排气阀泄气阀 AQ2000-02-01 AQ3000-02-03 AQ5000-04-06 AQ3000-F02
收藏
SMC快速排气阀泄气阀 AQ2000-02-01 AQ3000-02-03 AQ5000-04-06 AQ3000-F02
请选择规格
款式:
AQ2000-02
AQ2000-01
AQ3000-02
AQ3000-03
AQ5000-04
AQ5000-06
AQ2000-F02
AQ2000-F01
AQ3000-F02
AQ3000-F03
AQ5000-F04
AQ5000-F06
数量:
库存量:
999
件
已售:
0
件
SMC快速排气阀泄气阀 AQ2000-02-01 AQ3000-02-03 AQ5000-04-06 AQ3000-F02
63.5
元
总计:
63.5
元
立即购买
加入购物车
优质商品 品质保障
急速物流 送货入户
客户在线 售后无忧
无忧退货 特色服务
汽车服务
长城汽车皮卡车保养&quo
400-887-0317
全国订购热线(免长途费)
在线客服
客服工作时间:09:00 - 21:00
Copyright © 2022-2026 百佳利智能工业(苏州)有限公司 版权所有
网站备案号:
苏ICP备2024108623号-3